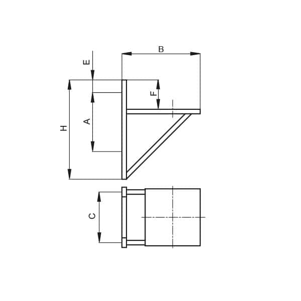
Konsola wsporcza
Element montowany na dole komina, przenoszący obciążenia na elementy konstrukcyjne budynku. Zastosowanie tego typu rozwiązania pozwala na nie wykonywanie fundamentów pod komin.

Kominy izolowane typu KF
Podciśnieniowe
Element montowany na dole komina, przenoszący obciążenia na elementy konstrukcyjne budynku. Zastosowanie tego typu rozwiązania pozwala na nie wykonywanie fundamentów pod komin.

Nasi konsultanci służą pomocą w doborze elementów systemu kominowego.