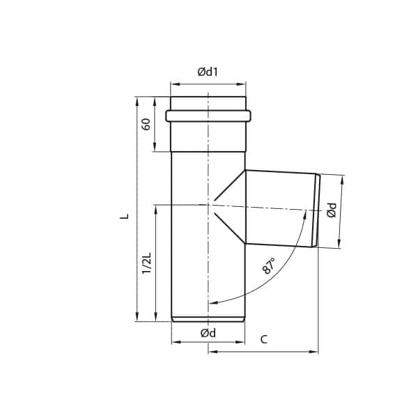
Trójnik 87°
Element służący do podłączenia czopucha czy wyjścia z kotła pod odpowiednim kątem z pionowym odcinkiem wkładu kominowego. Kąt podłączenia 87 st.

Wkłady kominowe typu SPS, Wkłady o średnicy ⌀60-100
Nadciśnieniowe
Element służący do podłączenia czopucha czy wyjścia z kotła pod odpowiednim kątem z pionowym odcinkiem wkładu kominowego. Kąt podłączenia 87 st.

Nasi konsultanci służą pomocą w doborze elementów systemu kominowego.