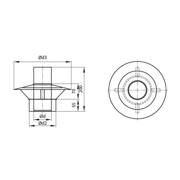
Ventilated chimney cap
Element used to protect the smoke/air system against rainfall.

WSPS chimneys
Positive pressure
Element used to protect the smoke/air system against rainfall.

Our consultants are happy to help in selecting chimney system elements.