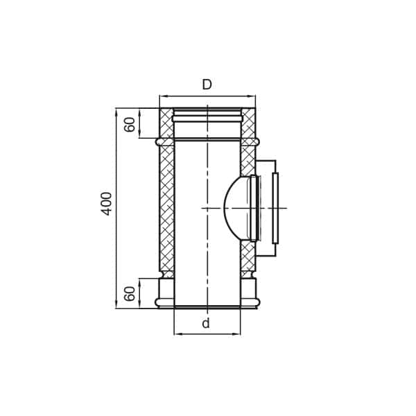
Wyczystka
Element stosowany w celu uzyskania dostępu do wnętrza komina przy okresowej kontroli i czyszczeniu. Element z drzwiczkami rewizyjnymi w wymiarach 140×140 mm lub 140×280 mm.

Kominy izolowane SPS IZOL, Wkłady o średnicy ⌀130-300
Nadciśnieniowe
Element stosowany w celu uzyskania dostępu do wnętrza komina przy okresowej kontroli i czyszczeniu. Element z drzwiczkami rewizyjnymi w wymiarach 140×140 mm lub 140×280 mm.

Nasi konsultanci służą pomocą w doborze elementów systemu kominowego.