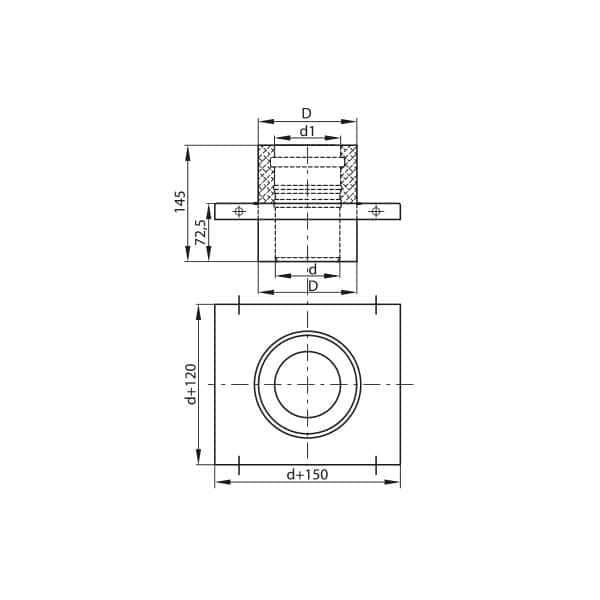
Insulated SPS/WSPS relieving console plate
Element absorbing vertical forces from the chimney elements, which transfers the loads to the wall in order to take the load off the elements located below. Mounted on supports. It enables the transition from a WSPS type system to an SPS type insulated chimney. Used every 10 m.
![]()


