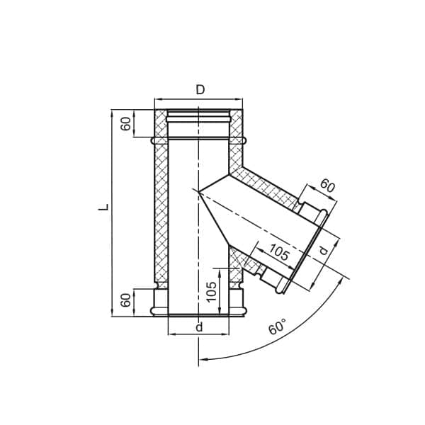
Tee 60°
Insulated element used for connecting the flue or the boile outlet at the right angle with the chimney’s vertical section. Connection angle 60 degrees.

⌀130-300 diameter cartridges, SPS IZOL insulated chimneys
Positive pressure
Insulated element used for connecting the flue or the boile outlet at the right angle with the chimney’s vertical section. Connection angle 60 degrees.

Our consultants are happy to help in selecting chimney system elements.