Bottom
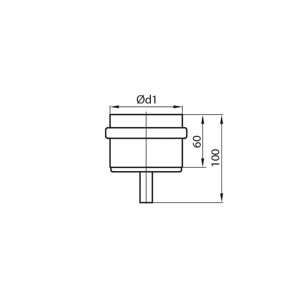
Element installed under the cleaning hatch at the bottom of the chimney liner to drain the condensate.

⌀60-100 diameter cartridges, SPS chimney liners
Positive pressure
Element installed under the cleaning hatch at the bottom of the chimney liner to drain the condensate.

Our consultants are happy to help in selecting chimney system elements.