Adjustable element L=400/600/900
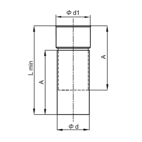
Round pipe enabling the installation of the flue by sliding it to the required length. Adjustable 400-500; 600-900; 900-1500 mm.

KF chimney liners
Negative pressure
Round pipe enabling the installation of the flue by sliding it to the required length. Adjustable 400-500; 600-900; 900-1500 mm.

Our consultants are happy to help in selecting chimney system elements.